全部產品分類
關節軸承
INA
NTN
SKF
滾針軸承
FAG
INA
NTN
SKF
IKO
調心球軸承
FAG
KOYO
NACHI
NSK
NTN
SKF
推力球軸承
FAG
KOYO
NACHI
NSK
NTN
SKF
深溝球軸承
FAG
INA
KOYO
NACHI
NSK
NTN
角接觸球軸承
FAG
INA
KOYO
NACHI
NSK
NTN
調心滾子軸承
FAG
KOYO
NACHI
NSK
NTN
SKF
推力滾子軸承
INA
KOYO
NACHI
NSK
NTN
SKF
圓錐滾子軸承
FAG
KOYO
NACHI
NSK
NTN
SKF
圓柱滾子軸承
FAG
INA
KOYO
NACHI
NSK
NTN
帶座外球面球軸承
FAG
NSK
NTN
SKF
網站首頁
軸承品牌
型號目錄
型號查詢
軸承新聞
軸承資料
關于我們
聯系我們
您所在位置:
恩梯必傳動
>
INA軸承
> GE180DO軸承
GE180DO
更新日期:
型號:GE180DO
品牌:INA軸承
系列:關節軸承
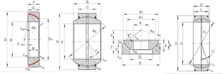
內徑(d):180mm
外徑(D):260mm
厚度(B):105mm
【以下數據有INA軸承官網提供】
服務電話:0512-62658883
恩梯必傳動是INA軸承代理商,銷售INA品牌關節軸承,INA軸承關節軸承軸承是內徑:180mm、外徑:260mm、厚度:105mm的關節軸承,我們有充足的INA GE180DO軸承庫存,如需關節軸承其他品牌替代軸承,您可來電咨詢GE180DO軸承價格表!
參數圖紙
相關型號
推薦型號
應用行業
相關型號
品牌
型號
內徑
外徑
厚度
INA軸承
GE180DO軸承
180mm
260mm
105mm
SKF軸承
GE10E軸承
10
19
9
SKF軸承
GE12E軸承
12
22
10
SKF軸承
GE17ES軸承
17
30
14
SKF軸承
GE15ES軸承
15
26
12
SKF軸承
GE100ES軸承
100
150
70
SKF軸承
GE110ES軸承
110
160
70
SKF軸承
GE120ES軸承
120
180
85
SKF軸承
GE160ES軸承
160
230
105
SKF軸承
GE180ES軸承
180
260
105
SKF軸承
GE140ES軸承
140
210
90
INA軸承
GE10DO①軸承
10
19
9
INA軸承
GE12DO①軸承
12
22
10
INA軸承
GE17DO軸承
17
30
14
INA軸承
GE15DO軸承
15
26
12
INA軸承
GE100DO軸承
100
150
70
INA軸承
GE200DO軸承
200
290
130
INA軸承
GE160DO軸承
160
230
105
推薦型號
品牌
型號
內徑
外徑
厚度
NSK軸承
HM803149軸承
44.45
88.9
29.37
FAG軸承
7603020TVP軸承
20
52
15
NACHI軸承
7012軸承
60
95
18
NSK軸承
3578軸承
44.45
87.312
30.886
INA軸承
BK3016軸承
30
37
16
NACHI軸承
7015軸承
75
115
20
NSK軸承
25521軸承
42.875
83.058
25.4
INA軸承
BK3012軸承
30
37
12
NACHI軸承
7014軸承
70
110
20
NSK軸承
25580軸承
44.45
82.931
25.4
INA軸承
HK3012軸承
30
37
12
NACHI軸承
7016軸承
80
125
22
NSK軸承
13318軸承
44.45
80.162
17.462
INA軸承
HK2820軸承
28
35
20
NACHI軸承
7017軸承
85
130
22
NSK軸承
13175軸承
44.45
80.962
17.462
INA軸承
HK1616軸承
16
22
16
NACHI軸承
7018軸承
90
140
24
NSK軸承
16929軸承
43
74.988
19.837
INA軸承
BK1612軸承
16
22
12
NACHI軸承
7019軸承
95
145
24
NSK軸承
16986軸承
43
74.988
19.837
INA軸承
HK1612軸承
16
22
12
NACHI軸承
7021軸承
105
160
26
NSK軸承
25577軸承
42.875
82.931
25.4
INA軸承
HK1522軸承
15
21
22
NACHI軸承
7020軸承
100
150
24
NSK軸承
342S軸承
42.875
80
22.403
INA軸承
BK1516軸承
15
21
16
NACHI軸承
7022軸承
110
170
28
應用行業
廣泛應用于診察設備、牽引、矯正設備、監護設備、治療設備、醫護輔助設備、檢驗分析設備、手術專用設備、消毒滅菌設備、康復理療設備、醫用車、床、臺、其它未分類、原料藥設備及機械、飲片機械、膠囊充填機、制劑機械、藥用粉碎機械、藥品包裝機械、鋁塑包裝機、壓片機、制丸機、粉劑設備、包衣機、滴丸機、糖衣機、切藥機、口服液制藥設備、其他制藥設備、獸用器械、制藥設備、醫療設備、等領域。
關于恩梯必傳動
關于恩梯必傳動
組織架構
經營理念
NSK相關
NSK簡介
NSK樣本下載
NSK客戶服務
聯系方式
地 址:昆山市開發區偉業路8號69室
電 話:0512-62658883
手 機:18912792857 18912792856
郵 編:215000
型號查詢
杜絕假冒
當天發貨
專業配送
金牌服務